Electrical System
Biturbo 2500 - MABC






 1-001   Colour codes
 1-002   Load description
 1-004   Guide to cable route
 1-012   Instrument panel
 1-013   Fuel evaporation system
 1-014   Fuel evaporation system, vacuum pump and choke system (automatic)
 1-015   Fuel evaporation system (420)
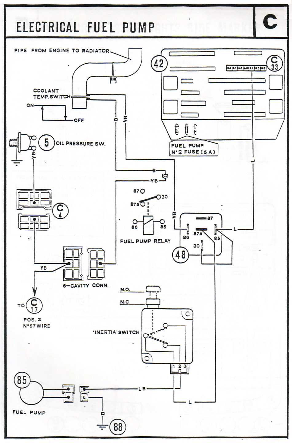
 1-016   Electric fuel pump
 1-017   Headlights, stop lights, indicators
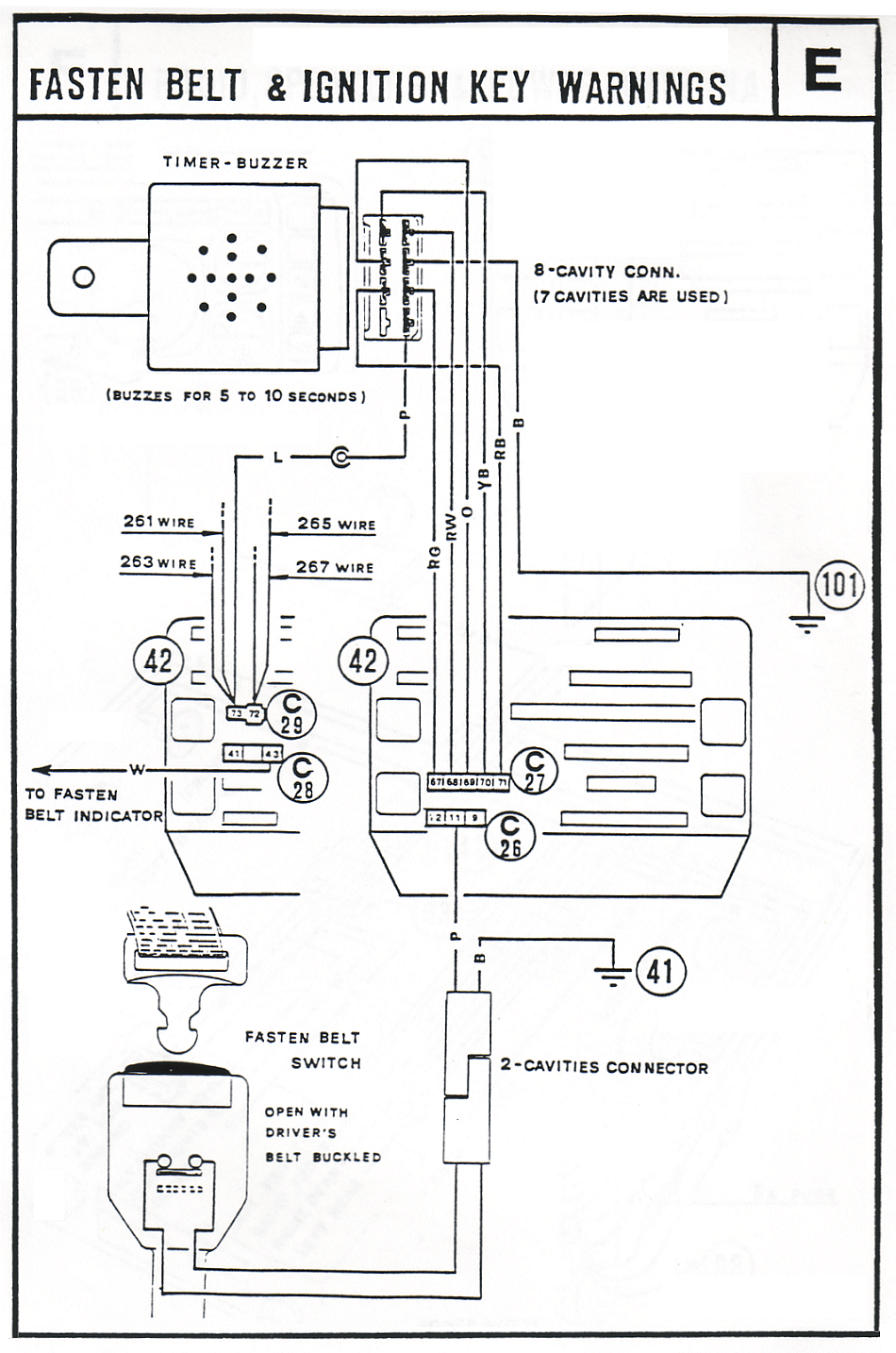
 1-018   Seat belt and ignition warnings
 1-019   Radio, speakers and electric ariel
 1-020   M.A.B.C. (Maserati automatic boost control)
 1-021   Front foglamps
 1-022   Starter safety switch, reversing light and gear select light (automatic)
 1-023   Complete car schematic wiring diagram